Hi, my name is
Product-driven Software Engineer with experience in fintech and full-stack development, specializing in scalable solutions for seamless payments around the world. Delivered impactful products like Zeepay’s Instant Money Transfer app in the United Kingdom, and the United States, processing over $15M in transactions.
01. About Me
My name is Kwame Koranteng Opoku. I am a Software Engineer from Accra, Ghana, with a passion for creating impactful digital solutions. With over 4 years of professional experience, I've worked extensively with both frontend and backend technologies to deliver robust applications.
Currently, I'm working as a Product Delivery Specialist at Zeepay Ghana, where I develop financial technology solutions. My expertise is finding solutions to problems.
My goal is to build highly performant applications that solve real-world problems and provide users with exceptional experiences. I'm always eager to learn new technologies and collaborate on innovative projects.
Here are a few technologies I've been working with recently:
02. Where I've Worked
03. Some Things I've Built (That I Can Show)
Featured Project
Instntmny Transfer UKFeatured Project

Featured Project
Plain-JFeatured Project
Enterprise Resource Planning SystemAcademic Project
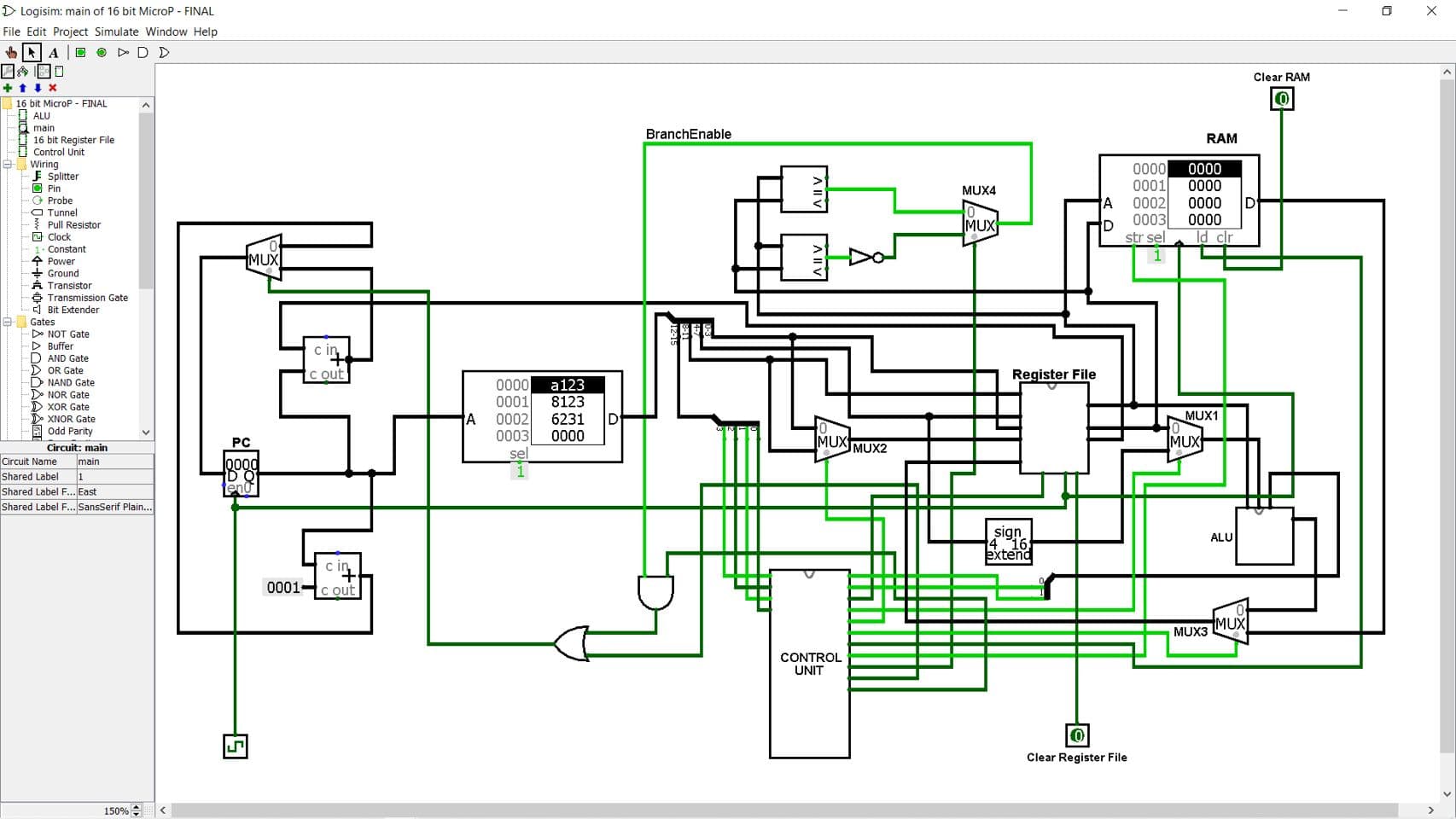
RISC Microprocessor (16 Bit)Featured Project
AutoCedi